Dostarczamy na całą Polskę

Oferta hurtowa i B2B

Dostarczamy na całą Polskę

Potrzebujesz pomocy?

Koszyk:

0,00 zł 0

Zawartość koszyka

Koszt wysyłki zależy od kodu pocztowego adresu dostawy

suma: 0,00 zł
Przejdź do podsumowania
Łączniki PITZL 60
Opis produktu
Dane techniczne
Koszt dostawy

Opis

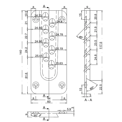
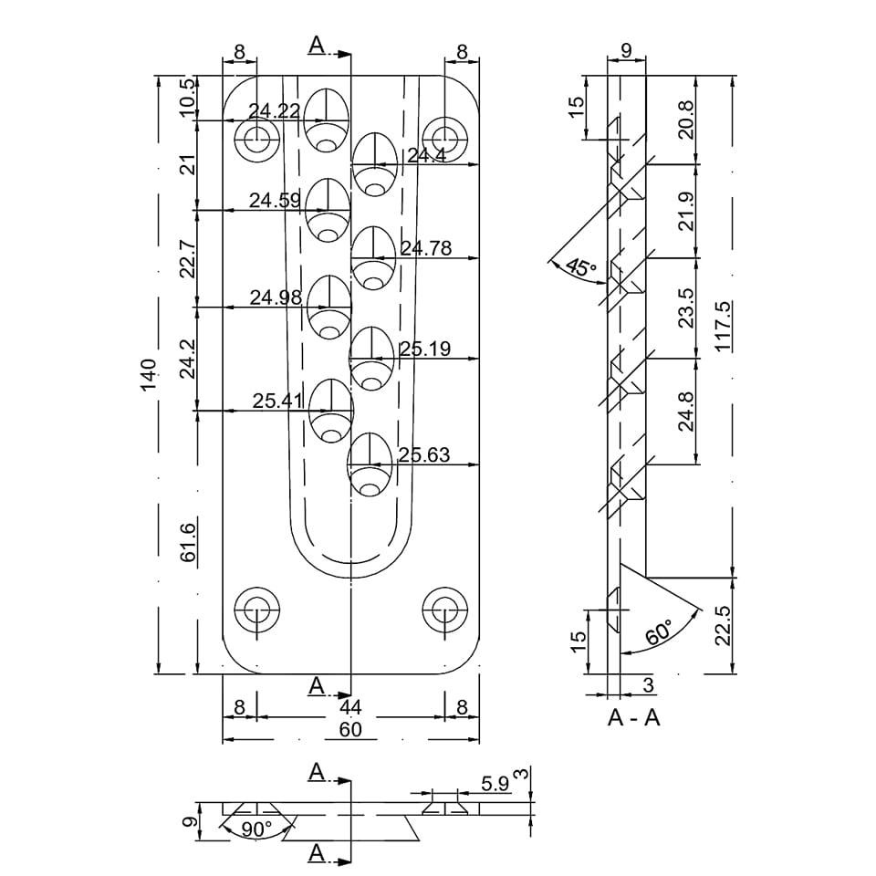
Łącznik konstrukcyjny 60x140x12 mm do połączeń drewno-drewno

Standardowy łącznik Pitzl HVP to wysokiej jakości element przeznaczony do efektywnego i bezpiecznego łączenia belek drewnianych. Dzięki optymalnym odległościom od krawędzi oraz możliwości zastosowania wkrętów o różnych długościach zapewnia precyzyjne dopasowanie do każdego przekroju drewna.

Dane techniczne:

  • Wymiary (szer. x wys. x gł.): 60 x 140 x 12 mm

  • Liczba wkrętów: 24 szt.

  • Rozmiar wkrętów: Ø 5 x 60–100 mm

  • Minimalny przekrój drewna przy wkrętach Ø 5 x 60 mm:

    • Belka główna: 70 x 160 mm

    • Belka wtórna: 80 x 160 mm

  • Charakterystyczna nośność przy wkrętach:

    • Ø 5 x 60 mm: 31,70 kN

    • Ø 5 x 100 mm: 52,21 kN

  • Certyfikat: CE

Zalety:

  • Optymalne odległości od krawędzi zapewniające precyzyjne dopasowanie do różnych przekrojów drewna

  • Możliwość stosowania wkrętów o różnych długościach (60–100 mm) dla elastyczności montażu

  • Wysoka nośność przy kompaktowych wymiarach

  • Łatwy i szybki montaż dzięki przemyślanej konstrukcji

Ten łącznik jest idealnym rozwiązaniem dla profesjonalistów poszukujących niezawodnych i łatwych w użyciu elementów do łączenia konstrukcji drewnianych.

Dane techniczne

Rodzaj konstrukcyjny
Wysokość (mm) 12
Szerokość (mm) 60
Długość (mm) 140

Koszty dostawy Cena nie zawiera ewentualnych kosztów płatności

Kraj wysyłki:

Łącznik konstrukcyjny 60x140x12 mm

Producent: Pitzl
Ocena: 0
Dostępność:
na wyczerpaniu
Wysyłka w: 24 godziny
Cena netto: 102,44 zł
Dostawa: Cena nie zawiera ewentualnych kosztów płatności
126,00 zł 126.00
ilość szt.

towar niedostępny

Kup ten produkt teraz - zapłać za niego za 30 dni

Potrzebujesz pomocy? Skontaktuj się z nami! 22 123 55 03 kontakt@drewno24.pl

Korzyści ze współpracy B2B

  • B2B Specjalne warunki i ceny dla klientów biznesowych
  • Specjalne ceny hurtowe w oparciu o rodzaj działalności
  • Limity kupieckie
  • Indywidualne oferty
  • Opieka handlowca
Dowiedz się więcej >

Do tego produktu polecamy

Łącznik konstrukcyjny 60x100x12 mm
Łącznik konstrukcyjny 60x100x12 mm

94,00 zł

netto: 76,42 zł

szt.
do góry
Sklep jest w trybie podglądu
Pokaż pełną wersję strony
Sklep internetowy Shoper Premium